creo怎么标尺寸?creo工程图尺寸标注图文详解
对于初学结构设计软件的小伙伴们来说,一切都是新奇的,不管是creo/proe软件操作还是使用技巧,都是需要长期的练习实践去积累的。为了满足广大新人用户的新奇感,下面品索教育为大家带来creo/proe入门级教程,你别看它很基础,但是它真的非常重要,也是使用频繁之高让你不得不重视,那就是creo工程图尺寸标注,相信不少小伙伴都问过creo怎么标尺寸这个问题吧,品索教育就以实战图文的方式来为大家讲解!
creo怎么标尺寸?creo4.0草绘中尺寸标注只有1个命令,却有多种标注方式,可标注竖直尺寸、水平尺寸、斜尺寸、半径、直径。
1.切换到“注释”界面,然后选择“尺寸”图标。
2.弹出对话框,用的最多而且实用价值高的就是图元和求交。图元可以说可以标注80~90%的尺寸,如果无法确认交点,可以用求交确认位置。
3.鼠标左键选择2个点
4.鼠标中键在空白处点击下,选择“水平”。有时候如果是直接是两条直线,就不会有这个对话框,直接标注就行。
creo怎么标尺寸?图文步骤详解!
第一步:打开软件,新建草图文件

第二步:绘制草图

第三步:单击尺寸图标
第一种标注尺寸(竖直标注),单击下图中第二段直线两端点,再在此直线外左边或右边单击鼠标中键(或直接双击竖直尺寸进行编辑更改)。

第二种标注尺寸(水平标注),单击下图中第二段直线两端点,再在此直线外上方或下方单击鼠标中键(或直接双击水平尺寸进行编辑更改)。

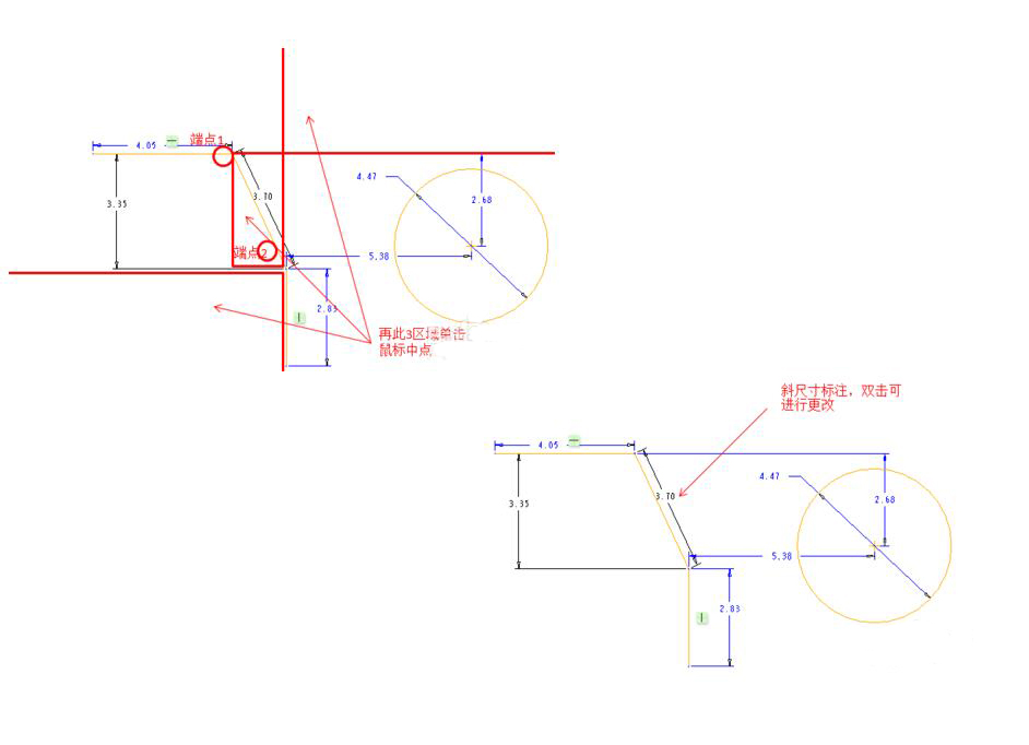
第三种标注尺寸(斜尺寸标注),单击下图中第二段直线两端点,再在此直线内垂直方向上单击鼠标中键(或直接双击斜尺寸进行编辑更改)。

第四种标注尺寸(半径尺寸标注),单击圆或圆弧,再在此圆或圆弧旁单击鼠标中键(或直接双击半径尺寸标注进行编辑更改)。
第五种标注尺寸(直径尺寸标注),双击圆或圆弧,再在此圆或圆弧旁单击鼠标中键(或直接双击直径尺寸标注进行编辑更改)。

creo怎么标尺寸?creo怎么标注圆的直径
1.前面的选择跟直线或者两点之间的标注是一样的。
2.这一步比较关键。就是需要选择圆后鼠标左键双击,鼠标中键空白处点击就行。
3.可以更换箭头的朝向。右键长按,反向箭头。
再右键长按-反向箭头。
就可以切换到外面了。
相关阅读:
猜你喜欢
![]()